Les mots DoubleHybride de 2020

Recherche par mot clef      EDITO

Les mots de DoubleHybride de novembre 2020 à janvier 2020

 vers les mots actuels

22 Novembre 2020 - Il gèle ce matin dans l'Ain.

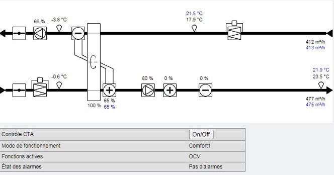
Premier bilan de fonctionnement de la pompe à chaleur intégrée dans la centrale de traitement d'air

En chiffre sur 24 heures avec une température moyenne sur 24 heures de 2°C.

Avec l'ancienne installation j'aurais jeté 21,5 kWh dans la nature par la ventilation simple flux avec de plus une mauvaise ventilation car limitée à 150 m3/h. Bilan 850 ppm CO² en chambre au milieu de la nuit. (mauvais pour la santé)

Avec la nouvelle installation 425 m3/h extrait si elle avait été en simple flux 62,7 kWh
(450 m3/h) ce qui fut impossible énergétiquement parlant en simple flux d'ou la sous ventilation chroniques des logements et des bâtiments en France.

Avec la nouvelle installation double flux avec PAC et échangeur rotatif:

L'énergie nécessaire pour préchauffer le flux d'air neuf (470 m3/h) sur 24 heures: 71,04 kWh (c'est énorme)

Grace à la PAC et l'échangeur rotatif cela ce réduit à une consommation électrique:

9.19 kWh pour  la PAC et 4.8 kWh pour les ventilateurs soit 13,9 kWh

Le rendement COP est donc 5,11

il y a donc une récupération d'énergie de 57,14 kWh/jour venant pour 8,459 kWh d'un rejet plus froid que la température extérieure et 48,68 kWh captés sur l'air vicié avant son rejet à l'extérieur.

Le gain net par rapport à l'ancienne installation inconfortable est donc de 7,6 KWh par 24 heures avec un confort incomparable. Soit l'équivalent de 42 km par jour gratuit en Zoé.

Voici quelques captures du tableau de marche de la CTA avec PAC durant des phases significatives:

Fin de cycle juste avant le dégivrage automatique de l'évaporateur

Réduction automatique et progressive du débit en dessous de zéro°C ext (OCV)

On rejette plus froid que ce que l'on prélève même en température négative

Après un arrêt de 4 minutes du compresseur (protection anti-cycle court du compresseur)

Le bilan est moins reluisant 6 fois par heure à 1,6°C t ext la température de soufflage tombe à 15,6°C. Ce problème est remonté à France Air car il s'aggrave nettement avec une température moyenne ext entre 10 et 15 °C (fonctionnement en mi-saison ou on monte à 188 cycles/jour de démarrage de la PAC) Sur ce dernier tableau c'est uniquement l'échangeur rotatif qui récupère certes avec un rendement remarquable. (extraction 17,6°C rejet 3°C  T ext 1,6°C soufflage 15,6°C)

Dans mon installation la régulation de la CTA se fait sur la température de reprise d'air afin de donner de l'inertie à l'installation. La température de reprise est plus basse que les pièces de vie car la reprise passe par la buanderie qui est non explicitement chauffée.

A noter il existe un mode de sécurité température minimum de soufflage avec une batterie électrique qui peut s'activer optionnellement (mode MTC) à une température réglable pour ma part je l'ai mis à 15°C (il ne s'est jamais déclenché à ce jour) car le compresseur de la PAC reprend juste avant ce seuil.

19 Novembre 2020 - Ventilation double-flux

Maintenant que le sous-chantier cuve récupération eau de pluie est terminé. Le gazon vient de tout cacher, on passe au sous-chantier N°2 la mise en place de la centrale de traitement d'air double flux à PAC qui a démarré ce jour, les économies de calories débutent donc ce jour .

Le chalet va devenir ma centrale électrique solaire autarcique de 11KW fin janvier 2021

Le pourquoi écologique

Un des gros postes du chauffage c'est la ventilation si elle est assurée correctement pour maintenir un air sain sans trop de CO² et sec dans l'habitat.

A partir des années 70 la mode est passée à la ventilation mécanique par extraction simple flux en maison individuelle neuve pour des questions d'économie d'installation.

Résumons ce gouffre énergétique:

En moyenne: 60 m3/h cuisine et 60 m3/h salle d'eau et 15 m3/h par WC

Dans mon cas  150 m3/h.

Simulons température moyenne saison hiver ext 11°C température extraction 20,5 °C

Puissance perdue en moyenne:  150 x 0,34 x (20,5-11) = 484 Watts

Par pointe de froid : -6°C ext  puissance perdue: 1351 watts soit 32 kWh/jour !

Estimation en énergie sur la saison d'hiver: 222x 24 x 484 watts = 2579 kWh  !!! (équivalent à 14000 km de zoé)

Sur les 10 dernières années ce caisson a donc gaspillé: 25.790 kWh !!! soit environ 2000 Euros de gaz.

Voici sa photo après sa déconnexion:

Dorénavant, il ne servira plus que l'été en tant que ventilateur pour ventiler le comble (évacuation air chaud par le toit) ce qui limitera les besoins de climatisation au passage.

Je me suis donc imposé la mise en place d'une ventilation double flux et quitte à bien faire avec une centrale de traitement d'air PRO super équipée:  filtration, échangeur rotatif et pompe à chaleur assurant le préchauffage l'hiver et le rafraichissement d'air l'été, régulation électronique des débits et des températures .

Le plus délicat est la mise ne place des gaines d'injection d'air dont la pose après construction est couteuse et difficile à cacher vu le diamètre des gaines. Heureusement un comble accessible dans mon cas a réglé une grande partie du problème.

Pour une question de qualité d'air pour abaissement du taux de CO² , j'ai augmenté le flux d'air afin de vivre un peu comme à l'extérieur (C'est bon pour la santé)

Paramétrages initiaux basique saison hiver de ma CTA (Central de Traitement d'Air):

  • Fonctionnement actif avec PAC et échangeur rotatif: 450 m3/h injectés et 444 m3/h extraits cas température extérieure <15°C

  • Fonctionnement économique échangeur rotatif seul: 300 m3/h injecté et 250 m3/h extrait si température extérieure entre 12°C et 20°C

Après une premier nuit de fonctionnement je peux déjà tirer quelques conclusions:

1: C'est ma première nuit depuis 45 jours sans être réveillé grâce à une meilleure qualité de l'air

2 :Analyse bilancielle calorique:

Cas T ext: 12,7°C: L'air rejeté est à 14.7°C et l'air introduit est à 19,2 °C en mode économique. Puissance perdue rejetée dans la nature 1,5 x 0,34 x 250 m3/h soit:

Puissance perdue: 171,36 Watts  (puissance économisée par rapport simple flux 312,64 watts)

Sur ce tableau constat de la récupération de l'air de la buanderie avec Sèche linge en service d'ou un air extrait à 22,4 °C. Voilà un gain indirecte par effet de bord intéressant.

Tableau de pilotage de la CTA France Air en mode sans PAC

L'échangeur rotatif étant placé avant la pompe à chaleur ce gain est vrai H24 7J/7

Le gain annuel pour la ventilation double flux attendue sera donc d'environ 1900 kWh par année de chauffage dans mon cas pour des conditions de confort nettement améliorées en terme de ventilation des chambres. (Taux de CO² max 550 ppm au lieu de 950 ppm mesurés avant mise en service de la CTA)

En mode actif avec pompe à chaleur: On rejette de l'air plus froid que la température extérieure ce gain est transféré par l'énergie du compresseur  (cas classique d'une pompe à chaleur air/air) le kWh thermique fabriqué est 4 fois moins couteux que l'électrique EDF et un peu mieux que le kWh thermique gaz à condensation. Ce mode sera bien évidement extrêmement efficace dès que mes panneaux solaires seront installés. Ce mode vise à diminuer la partie de chauffage assurée par le gaz naturel consommé par la chaudière à condensation. On ne parle pas d'économie en kWh sur ce mode mais de baisse du cout du kWh thermique. La gain brut n'étant que l'écart de l'air rejeté plus froid que l'air extérieur + gain par condensation de l'air humide rejeté. Nous calculerons ce gain ultérieurement en fonction de mesures à venir au fil des mois. La CTA sera équipé d'un compteur indépendant pour mesurer sa consommation avec précision.

La centrale de traitement d'air France Air double flux à PAC et échangeur rotatif.

Le diamètre énorme des gaines pour passer 450 m3/h silencieusement

Les spécialistes CTA verront une petite erreur qui est en passe d'être corrigé.

Une dernière photo insolite des combles. L'énorme câble de récupération de l'énergie des 60 m² de capteur de solaire est en cours de pose. 4 x 25 mm² de quoi passer 11 KW en 56 volts.

Sans les combles ce chantier double flux eut été ravageur pour la déco intérieure existante.

14 Novembre 2020 - La cuve de 20 m3

Enfin elle est là !

Voici quelques photos de sa mise en place :

Très gros colis de presque une tonne à décharger

Préparation de son déplacement dans le sens de sa longueur

Plus grosse que l'Auto-Magique !

Ca passe cyprès !

Prête à son enterrement définitif.... euh... hum  c'est ce que l'on croyait

A noter mon toit n'a pas encore reçu ses panneaux solaires. (prévu avant le 31/1/2021)

Les sangles livrées sont bien trop petites pour résister à 20 tonnes de poussée d'Archimède vers le haut pour l'éternité. IL a fallut les remplacer avant de reboucher la fosse

Problème de sanglage...

Chantier de raccordement

La cuve en cours de disparation, il ne manque plus qu'un joli gazon pour oublier ce sous chantier titanesque...

4 Novembre 2020 - La poussée d'Archimède

Très couteuse volonté écologiste. Compte tenu des problèmes de manque d'eau potentiel l'été dans le département de l'Ain afin de gagner de la liberté je me suis lancé dans un projet un peu fou: Créer une citerne souterraine de récupération d'eau de pluie de mon toit de 20 m3. Pourquoi 20 m3 ? C'est la quantité d'eau que j'ai utilisé ce dernier été pour arroser mon ancien jardin de Villeurbanne afin de sauver de la sécheresse et de la canicule ses arbres et arbustes. Souhaitant que cela ne fasse aucune emprise disgracieuse dans mon nouveau jardin, aussi j'ai souhaité une cuve enterrée est recouverte de terre avec un seul regard d'accès pour maintenance technique de la pompe de surpression. Voilà tout cela à commencer par le creusement d'une fosse aux dimensions titanesques et la mise en fabrication par PUM en Normandie d'une cuve qu'il ne fabrique pas tous les jours.

La fosse destinée à recevoir la cuve de 20 m3

Résultat: retard considérable, mon jardin est défoncé depuis plus de 2 mois et surtout il faut traiter de la poussée d'Archimède. En effet si la cuve est vide et qu'il y eusse une remonté de la nappe phréatique tel prévu par la législation de ce secteur il faut donc lutter contre une poussée verticale vers le haut de 20 tonnes; Une paille ! Il a donc fallut mettre en place un radié en béton armée avec attaches visant à retenir la cuve au fond de son trou. Bref un peu comme les fondations pour élever une tour de 50 mètres de haut ! Voilà les photos du chantier en cours, heureusement les couleurs de l'automne égaillent un peu le jardin défoncé.

Fin du coulage du radié armé de 16 tonnes destiné à recevoir la cuve de 20 m3

La cuve doit être livrée le 7 novembre et recevra encore 4 tonnes de béton pour la lier définitivement à ce site pour l'éternité.

A suivre...

Coté toit photovoltaïque: 60 m² de panneaux sont commandés et seront posés d'ici le 31 janvier 2021 et devrait m'assurer une autonomie électrique totale 6 mois par an y compris dans ma mobilité. Dans un premier temps ce sont les batteries de mon installation précédente qui seront à nouveau réutilisées malgré leur 11 ans d'âge. L'objectif sera aussi zéro kWh en heure de pointe jour rouge dès Février 2021.

Pour des soucis de meilleur sécurité, l'installation technique onduleur et batteries ne seront plus dans ma maison mais dans un local technique annexes séparé. Inconvénient de gros câbles on dut être enfouies en caniveau pour distribuer l'énergie et celles des panneaux solaire. Sécurité et écologie ne font pas bon ménage... Ce cuivre pourra être récupéré dans quelques décennies.

Coté ventilation: la centrale de ventilation et traitement d'air double flux à pompe à chaleur intégrée a été livrée, sa mise en service est prévue pour le 24 novembre.  Avec elle, pas question de sous ventilation pour économiser de l'énergie: le Covid sera chassé ainsi écologiquement mais sans perte de calories.

Une installation démonstrative qui compte tenu du très faible cout en 2020 en France du kWh et du m3 d'eau se justifie plus par volonté écologique assortie de plus de confort et d'une sécurité autarcique que par une rentabilité financière. Dans quelques années compte tenu des bêtises faite autour de l'éolien terrestre en France qui ne produit pas de kWh au moment ou l'on est en manque de puissance (froid anticyclonique) va faire exploser le cout du kWh décarboné et cela sera alors une toute autre rentabilité (avoir de l'électricité pendant les blackout).

En attentant, il y a quand même les couleurs radieuses de l'automne dans mon jardin et celles prisent juste avant le confinement à deux pas maintenant en VE du Lac Genin  petit lac du haut Bugey très paisible en pleine couleur d'automne.

Octobre 2020 - Le Grand déménagement

Après 40 ans de vie dans le Rhône, je déménage dans l'Ain. Les 48m² de panneaux photovoltaïques ont été mise à la disposition de mon successeur et je me lance dans un nouveau projet plus puissant qui vise l'autarcie électrique au moins 6 mois par an avec 60 M² de cellules pour une puissance crête de 10,2 kW. Production annuelle attendue environ 12000 kWh. Enfin, compte tenu du changement climatique je me lance aussi dans la récupération de l'eau de pluie du toit de notre nouvelle maison avec une citerne de 20 m3 afin d'assurer l'arrosage du Jardin l'été avec l'eau de l'hiver.

De nouvelles aventures et un sacré chantier à suivre prochainement sur ce site.

A court terme, il a fallut redonner vie à l'Automagique, lui faire passer le contrôle technique pour qu'elle puisse par elle même faire le trajet de 65 km vers notre nouveau lieu de vie uniquement avec sa batterie d'origine NiCd. A mon arrivée, il restait de quoi faire environ 20 km. Pas mal pour un véhicule électrique de 2001 qui n'avait plus roulé depuis 2 ans. Au passage l'Automagique va perdre son immatriculation 69.

L'Automagique, devant le centre commerciale d'Ambérieu en Bugey pour une dernière photo avec ses plaques 69. Il s'agit de son 3eme lieu de vie après 7 ans au palais de l'Elysée et une vie lyonnaise.

Septembre 2020 - Le Jurassic 2020 de VEGA

21/9/2020 Le film du Jurassic 2020 de VEGA version courte avant première vient de sortir

490 km de mon coté avec ma Zoé. J'ai rejoint de Villeurbanne le groupe à Echallon (100% électron solaire) et les ai quitté au point de vue des 4 lacs près de la cascade du Hérisson dans le jura. Plus de 40 VE, 2 motos électriques et la fameuse Dyane électrique de Jean 4 lacs près de la cascade du Hérisson dans le jura. Plus de 40 VE, 2 motos électriques et la fameuse Dyane électrique de Jean


Toiture solaire composée avec des cellules du même type que celle de l'avion solaire Solar Impulse

Une Dyane qui a filé au même rythme que le convoi des 41 VE y compris sans les montées avec ses 2 batteries LiPo.

Rappelons que Jean et sa Dyane électrique ont participé au Solar Event en 2009 avec moi et à deux Traversées des Alpes (vainqueur de la 5ème édition).

Mon parcours Jurassic 2020 de VEGA version courte Les deux bornes d'Ambérieu-en-Bugey Chateau Gaillard étant en panne (il a fallut plus de 15 jours pour qu'elles re-fonctionnent) . J'ai chargé juste à la sortie de Lyon 125 minutes sur la borne de Balan 22 KW AC avec ma carte Chargemap (cela fonctionne) mais la borne se balance (elle est mal fixée au sol).

Je suis repartie de la borne avec 100% en direction d'Echallon. Mon point de départ pour rejoindre le rassemblement VEGA

La Dyane du CERN en profite pour capter des électrons solaires

Puis direction Oyonnax par la route des Sapins.

A Oyonnax, j'ai put gagner en mode 8A quelques électrons (passage de 65% à 67%) en mode grand mère durant 1H14. Le temps de déguster un super plateau repas.

Départ pour Moirans en montagne (41 VE traversant Moirans en montagne cela a créé la fameuse bulle de silence)

Puis direction Lons le Saulnier, accueil chez ENEDIS avec de délicieux petit gâteaux. Je suis allé charger en catimini chez MacDo (borne 22KW activable et payable par Chargemap) Pierre m'a accompagné chez McDo avec sa KONA afin de profiter de l'accueil d'ENEDIS durant la charge de ma Zoé.

A noter, un accueil formidable du gérant du McDo qui nous a aider à faire démarrer la charge et qui nous a raconté son désir de faire la promotion des VE en facilitant leur charge.

Je suis passé de 51% à 99% en 1H23 (cout 11€23), super je serais donc sans soucis pour la prochaine nuit à Arc et Senans et laisser à ceux qui en aurons plus besoin les prises de l'organisation. Il ne faut pas rêver charger 41 VE c'est une puissance appelée importante même en charge lente nocturne et une grosse installation impossible à mettre en place pour une seule nuit.

Pas mal la chambre d'hôtel !

vue de la fenêtre de ma chambre

Le matin petite charge partielle à Arc et Senans sur les bornes de l'organisateur libérées après la nuit, pour ma part en mode 8A (2 Heures pour passer de 78% à 88%)

Départ pour l'aventure d'Ursula, et repas dans les bois.de 8A (2 Heures pour passer de 78% à 88%)

Chez Vega on fait les choses en grand: détermination gravée dans l'acier pour lutter contre les dinosaures

Super points de vue dans le Jura "Les 4 lacs" et dans les traces de pas des dinosaures. Quatre lacs d'un coup !

 Les caraïbes mais c'est ici

Retour sur Lyon. Arrivée très chaude sur Lyon plus que 3% dans la batterie, voyant rouge allumé.. Heureusement que j'ai pris quelques électrons à Arc-et-Senans. Un peu plus de 490 km en 2 jours avec ma Zoé.

Lors de ma révision des 3 ans chez Renault le lendemain; Renault a trouvé un bogue dans la gestion du 400 volts de ma Zoé40, il ont fait une mise à jour et j'ai 70 km de plus d'autonomie! (359 km au compteur à la sortie de chez Renault) compteur à la sortie de chez Renault.e à jour et j'ai 70 km de plus d'autonomie! (359 km au compteur à la sortie de chez Renault) compteur à la sortie de chez Renault.

Bref voilà un super Week-end de passé pour retrouver les pionniers du VE. Pierre roule en KONA maintenant et n'a plus aucun soucis d'autonomie. d'autonomie.

Après discussion avec les possesseurs de Tesla, je trouve que la future Tesla Y sent très bon... je sens que je vais me laisser tenter - au menu: Le Jurassic 2020 -  Autoconsommation totale photovoltaïque: le point de l'expérimentation - Energie éolienne en France "gros warning" - Ra le dieu solaire égyptien: les dernières découvertes de l'usage du soleil par les égyptiens sont fascinantes.

Je vais participer avec ma Zoé au Jurassic Electric Tour 2020 les 12 et 13 septembre. L'occasion de faire un  petit reportage et surtout constater si le réseau de bornes de charge se développe ou s'améliore dans l'Ain et le Jura.

Le programme du Jurassic 2020 est en ligne sur le site de l'association VEGA. Le fédération des association d'utilisateur de VE FFAUVE sera également présente. Cela reste une aventure, surtout avec une plus de 40 VE qui vont se lancer dans cette aventure à l'assaut des dinosaures 'Les VT fumantes".

Le point sur mon autoconsommation avec batterie LiFePo4

Mon installation de Villeurbanne vit ces derniers semaines car je change de département pour me mettre un peu plus au vert profitant d'un rapprochement familiale. L'installation en presque 3 ans a déjà produit 17300 kWh qui ont été utilisés à 100% en autoconsommation via des batteries tampons . Batteries récupérées sur des VE qui ont fait leur temps.

Elle fonctionne toujours aussi bien, elle est dans une phase routinière maintenant et tourne en automatique.

Depuis la fin du premier dé confinement ou ma Zoé a pu reprendre du service elle a reçu 390 kWh d'électrons purs soleil et 0 électron réseau public.

Question production solaire, au 4 septembre 2020 on n'a pas rattrapé le déficit d'ensoleillement de janvier/février 2020 malgré un printemps confiné exceptionnel et un été bien ensoleillé mais très chaud diminuant un peu le rendement photovoltaïque. La production solaire est en baisse de 271 kWh 2020 versus 2019 au 4 septembre soit une baisse de 5%.

Besoin en climatisation en hausse compte tenu de la hausse des températures moyennes depuis début juin toutefois ayant moins utilisé ma Zoé cet été ma consommation électrique a même légèrement baissée par rapport à 2019.

Consommation gaz en forte baisse, dans le cadre de la stratégie de Les batteries LiFePo4 chinoises MOTCELL (cellules cylindriques) de 2007 continuent à cycler tous les jours (13ème années d'usage...). Leur capacité baisse un peu plus et leur résistance interne augmente commençant à poser de petit problème d'exploitation lors d'ensoleillement faible et de cuisine au soleil (four, micro onde et climatisation) toutefois après 13 ans d'usage sont 70000 km sur Kangoo électrique il n'y a rien à dire c'est fiable à 100% avec un bon BMS.

Capacité à C/3 3,5 kWh au lieu de 3,9 kWh à l'origine. C'est remarquable. A noter ces batteries ne chauffent pas du tout durant leur usage cycle charge et décharge complète (3,5 kWh) sur 20H00. Le rendement coté batteries reste donc exceptionnel même après 13 ans d'usage.harge et décharge complète (3,5 kWh) sur 20H00. Le rendement coté batteries reste donc exceptionnel même après 13 ans d'usage.

L'installation solaire dans sa forme actuelle sera désactivée début octobre 2020 pour être transférée dans ma nouvelle maison. Dans un premier temps ma nouvelle maison sera rééquipé par récupération de l'ensemble du matériel à l'exception des 48m² panneaux solaires qui seront mis à la disposition du nouveau propriétaire. Ma nouvelle maison sera équipée des mêmes types de capteur solaire Imerys durant le mois d'octobre "étude en cours question puissance crête". L'exposition principale est SUD-OUEST ce qui n'est déjà pas si mal. Je vise une majorité de surface en sud-ouest et un petit pan en Nord-est (pour amorcer plus rapidement le matin la production) Le câblage et les tableaux électriques de sécurité seront reconstruits à zéro pour être conforme à toutes les normes électriques y compris celles des pompiers.

L'installation sera simplifiée en passant de 4 à 2 batteries 48 volts. Une neuve qui sera celle active en permanence et la batterie actuelle qui sera regroupé en une seule qui servira de réservoir complémentaire pour les jours de grand ensoleillement.terie actuelle qui sera regroupé en une seule qui servira de réservoir complémentaire pour les jours de grand ensoleillement.

Je n'aurais plus à gérer un contrat EJP mais probablement un nouveau contrat de type interruptible "période de pointe" si il sort sur le marché. Je ne supporte l'idée d'emmètre du CO² (charbon, fioul ou gaz pour produire de l'électricité) donc en pointe je coupe et passerais en mode autarcique.

Si un opérateur fournisseur d'énergie électrique souhaite tester un contrat de fourniture d'électricité interruptible sur cette installation merci de me contacter sur ce lien dédié . Attention il ne s'agit pas de me faire des offres dite verte "éolien , solaire, hydraulique" cela ne m'intéresse pas je souhaite un contrat garantie sans CO² ou rien. Puissance souscrite 0 kW heure de pointe 15 à 20 kW sans CO² le reste du temps. Bien évidement il doit y avoir un avantage pécunieux proposé par rapport à un contrat classique assurant de la puissance souscrite en heure de pointe. Mon installation sera apte à recevoir un signal de l'opérateur pour que je coupe toute consommation sur le réseau et si possible un signal précurseur pour se préparer à cette probabilité de coupure afin de garder les batteries au niveau haut.

Il n'y aura pas de besoin informatique serveur dans ma nouvelle maison donc une baisse des besoins de 10 kWh par jour, je vise donc une solution quasi autarcique question électricité y compris pour la mobilité. Le système de chauffage sera triple (Pompe à chaleur, cheminé et chaudière gaz à condensation en sécurité). L'isolation thermique en place est excellente limitant d'autant les besoins de climatisation.

Pour aller plus loin en matière d'écologie, je vais doter ma nouvelle maison d'une récupération grosse capacité de l'eau de pluie afin d'être autonome question arrosage du jardin et loisir.

L'équipe est en place, il ne manque plus qu'un feu vert notarial pour lancer les travaux d'ici la fin septembre


Éolien gros warning (au moins en Europe de l'ouest)

Question efficacité écologique et financière. Vous allez tout comprendre en regardant cette courte vidéo de 4 minutes de Jean-Marc Jancovici extrait de sa présentation au Sénat

https://www.youtube.com/watch?v=1aCHN6dytVYntation au Sénat

https://www.youtube.com/watch?v=1aCHN6dytVY

J'approuve à 100% sa position sur ce point.


Ra le dieu ultime pour les Egyptiens ! Dernières découvertes fascinantes:

Les égyptiens utilisaient et maitrisaient l'énergie solaire

Vous souhaitez tout comprendre et bouleverser votre point de vue sur Au bout de 3 heures il vous faudra des mois pour digérer ce monument scientifique comprenant la pyramide de Khéops tout comme la basilique de Fourvière et revoir avec attention ce film. C'est absolument époustouflant. Pour ma part ayant lu et relue tous les ouvrages de Joseph Davidovits depuis des décennies cela aide beaucoup pour digérer ce monument.

Pour ceux qui vont découvrir tout partir de zéro cela va être un choc terrible dans votre tête..

Heureusement ce film génial de Fehmi Krasniqi utilise l'humour noir pour aussi vous divertir, surtout si vous êtes un initié de l'archéologie égyptienne.

Vous êtes prêt cliquez ici

J'ai décidé de participer au pot d'aide au financement de ce film qui a été crée à compte d'auteurs et qui est libre de droit sur net.

Vous trouverez si ce film vous à plus dans la bande annonce au début du film toute les informations pour aider le réalisateur.

Le site pour faier des dons: https://www.leetchi.com/c/grande-pyramide-k-2019 - Zoé la suite de l'histoire

Parlons Zoé et Rlink.

Après mettre mis d'accord avec la DIAC j'ai finalement racheté ma ZOE arrivée en fin de LOA assortie d'un paiement en 6 fois "lire aventure ci-dessous". J'ai donc  après avoir reçu plein de procédures écrites du service multimédia de Renault pour racheter tous les services Rlink après avoir recréer un compte MY RENAULT à zéro comme si je venais d'acheter une nouvelle Zoé. Mon portable peut consulter à nouveau l'état de charge de ma ZOE et au bout de quelques jours, tom tom trafic et coyote re-fonctionnent. La cartographie n'est toujours pas à jour je tenterais cela plus tard.

Par contre les services SMS sur changement état de charge de la Zoé et email ne fonctionnent toujours pas ni la commande de confort à distance. L'espoir qu'en repartant de zéro le bogue de 15 mois allait être résolu. Que nenni !

De nouveau contact avec le service multimédia de Renault qui me renvoi une nouvelle fois les procédures déjà envoyées il y a 15 mois. Je les exécute à la lettre prend des photos comme demandé le résultat à la fin comme toujours rien ne marche coté SMS et commande à distance.

Mais, hier sur l'autoroute un point d'exclamation nouveau sur les messages Zoé: je découvre que ma zoé vient  de recevoir plusieurs notifications de fin d'abonnement de tous les services que j'ai re-souscrits pour un an il y a 10 jours. Grrr voilà qui m'énerve de nouveau.

Je rentre à la maison je re-consulte My Renault, les services achetés sont bien toujours actifs.... depuis le 4 juillet 2020 !

A tout hasard je tente la mise ne charge et la miracle je reçoit le fameux SMS que j'attends depuis 15 mois. Tout re-fonctionne !!!!!

Je tente la commande à distance de la clim et cela fonctionne! Bref, il a fallut faire expirer l'abonnement et racheter la Zoé pour que cela fonctionne. nce de la clim et cela fonctionne!

Un problème de réglé du genre cela vient de tomber en marche!!!!! après 15 mois d'attente.

pourvu que cela dure....

18 juin 2020 - En guise d'appel du 18 juin, je tourne la page avec l'usage de véhicule électrique chez Renault.

La Zoé est certes un véhicule formidable, aboutie, précurseur mais le service client du groupe Renault est en dessous de tout et il est impossible de rester ZEN en étant un client Renault. Croyez moi, cela est très pénible pour moi de devoir tourner la page Renault après tout ce que j'ai fait pour eux. Ma 2eme Zoé est mon 4ème VE Renault et mon 12ième véhicule Renault au cours de ma petite existence.

Les 15 derniers jours que je viens de vivre dans ma relation avec le groupe Renault a été infernale.

Ma 2ème Zoé arrive bientôt en fin de LOA et j'ai tenté désespérément de trouver une solution pour la suite. Echec sur toute la ligne.

Résumé:

Très mauvaise expérience avec DIAC depuis 15 jours et le service multimédia de Renault ce jour.

Après 15 jours de tentatives de contact avec la DIAC suite à leur courrier du 2 juin d'abord pour cause d'un mauvais numéro indiqué dans leur courrier de fin de période de LOA puis plus de 47 tentatives et 46 raccrochés au nez ou service fermé à 11H00, ou rappeler à 14H00 bien que l'on soit à 10H30 le matin, ou nous sommes saturés, ou raccroché au bout de 5 minutes d'attente ou désolé notre informatique est en panne j'ai enfin pu avoir un interlocuteur et un accord que verbale pour conserver ma ZOE 40 intense mais c'est trop tard pour Rlink...

Mon échéance RLINK est tombé hier et il est impossible de renouveler le service maintenant car le Rlink est en cours de désactivation alors qu'il me reste 30 jours de LOA... et il faut attendre 3 jours pour la désactivation soit complète et pour pouvoir retenter un rachat des produits et 3 jours pour le réactiver dans le meilleur des cas.

Mon contrat LOA se termine le 15/7/2020.... donc service nulle pour le dernier mois d'usage !!!!!!!!!!!!!!!text-align:justify">Mon contrat LOA se termine le 15/7/2020.... donc service nulle pour le dernier mois d'usage !!!!!!!!!!!!!!!

La personne de Rlink que j'ai eu en assistance au fil a été insupportable et butée et de plus étant en télétravail ne pouvait strictement rien faire pour moi ni me passer un supérieur hiérarchique plus doué sur la qualité de service s’il existe...

Dans 3 mois c'est décidé je passe chez Tesla ou ailleurs le temps de trouver une meilleure qualité de service.t-align:justify">Dans 3 mois c'est décidé je passe chez Tesla ou ailleurs le temps de trouver une meilleure qualité de service.

J'aurais alors une ZOE II intense à vendre.... Trop c'est trop car :

·         La mise à jour cartographique du contrat n'a jamais fonctionné

La réception des SMS début et fin de charge ne marche plus depuis 12 mois malgré relances sur relances et réception de lettre comme quoi les techniciens cherchent une solution...

C'est d'autant plus n'avant que je suis le particulier précurseur utilisateur des VE depuis 2005 et à l'origine du retour de Renault dans le VE. s n'avant que je suis le particulier précurseur utilisateur des VE depuis 2005 et à l'origine du retour de Renault dans le VE.

C'est mon 4ème VE Renault, La Zoe est parfaite mais pas son SAV et service client : que des déboires pour donner suite à des crevaisons par exemple, il n'y a aucun service client chez Renault digne de ce nom "Service client". Ce sont les services qui sont autour de la Zoé qui sont défaillants pas la Zoé, et cela nuit totalement au résultat global visant à épargner les soucis au client.

C'est impossible d'être ZEN avec RENAULT !!! c'est ma conclusion après 12 ans de VE avec Renault et toute une vie avec Renault (toute la gamme)

Une positive attitude:

  • Synchroniser les dates et fin de service Rlink avec la date de début et de fin de contrat de LOA.... C’est un minimum non ?

  • Contacter le client pour lui signaler que son contrat Rlink arrive à échéance et proposer un service simple pour prolonger le service d'une période coïncidant au projet du client.

  • Éviter que Rlink balance sur la DIAC en disant qu'il n'est pas de la DIAC. Le groupe Renault existe ou n'existe plus ?

  • Que DIAC batterie et DIAC location de véhicule se parlent et se synchronisent entre eux dans leur com et leur date (ex un numéro de téléphone qui marche pour les 2 services sans se faire raccrocher au nez par des ordinateurs humains ou non humains)

  • Numéro de téléphone unique qui marche pour les 2 services

  • Réparer réellement les disfonctionnements et ne pas se faire dire à l'Atelier de la concession que rlink ce n'est pas leur problème pour les mises à jour qui ne marchent pas...

  • Bref il y a un grand coup de pied à faire dans ce groupe pour le remettre dans le droit chemin du service au client sinon sa fin est proche. Je ne parle même pas des problèmes de fin de LOA ou les prélèvements continuent en automatique durant des mois ou il m’a fallut passer mon avocat pour faire cesser les prélèvements. les prélèvements continuent en automatique durant des mois ou il m’a fallut passer mon avocat pour faire cesser les prélèvements.

    Je peux communiquer toutes les preuves de ce message qui est également diffusé sur Facebook groupe ZE Zoé

    20 mars 2020 - Début de ma 3ème année en autoconsommation solaire totale.

    Au 20 mars je décompte 100 heures de moins d'ensoleillement par rapport à la même période en 2019, retard qui est en train de se combler en cette fin mars avec un soleil brillant extraordinaire.

    Du 1er janvier 2020 au 20 mars 2020 Les panneaux Sud ont produit  664 kWh et les Ouest 312 kWh.

    Production solaire jour en moyenne des 3 derniers jours 25 kWh (à comparer au record maxi/jour constaté fin juin de 37 kWh)

    J'ai faillit ce 20 mars être en excès de production solaire batteries pleines en milieu d'après-midi car il n'y a plus de besoin de chauffage par PAC ni pour la VMS) m'obligeant à connecter ma Zoé sur l'onduleur solaire pour récupérer ce trop plein de 2 kWh. Je démarre donc 10 jours plus tôt le basculent en mode d'exploitation "été" de mon installation solaire: A partir de ce jour de ma Zoé ne sera rechargée plus que directement sur les panneaux solaires jusqu'à au moins fin septembre. Je prépare également la fermeture de la chaudière gaz pour cette saison en préparant le basculement sur l'eau chaude solaire, il faut 3 jours pour la mise en chauffe du ballon de l'installation solaire permettant la déconnexion de la chaudière gaz jusqu'au mois d'octobre prochain.

    Voici le tableau d'avancement de ma consommation d'énergie comparée sur 3 ans. En ce début d'année en poussant les PAC par rapport au chauffage gaz j'ai un gain d'environ 700 kWh gaz versus 2019 à la même date.

    A noter, toujours pas le moindre signe de vieillissement des batteries LiFePo4 Mottcell de 2009 qui cyclent tous les jours de nouveau à fond depuis une semaine à la puissance maxi de C/4  (régime usage stationnaire).

    Je suis comme vous, confiné chez moi ce qui me permet de reprendre le temps d'écrire...

    Pour des raisons familiales je vais très probablement être obligé de quitter avec regret cette année ma maison solaire pour changer de département, naturellement ma nouvelle maison sera immédiatement équipée de la même façon voir en encore plus performant pour le plaisir de la démonstration que l'on peut se passer à 100% du pétrole, du charbon et pourquoi aussi du gaz... le nouvel objectif.

    Si vous êtes intéressé pour participer à ce nouveau projet toit 100% solaire installation avec onduleur hybride avec 30 kWh de batterie autoconsommation totale contactez moi, début des travaux juillet 2020 si d'ici là ma 2ème Zoé (Zoé 40 inters arrive à la fin des 3 ans de LOA et oui déjà)  je suis en hésitation de continuer en Zoé compte tenu que Renault n'a toujours pas pu rétablir l'envoi des messages SMS de début et fin de charge et ou d'anomalie en cours de charge qui ne fonctionnent plus depuis mai 2019... Grrr. Faut-il que je passe chez Tesla pour être 100% satisfait ? je me tâte...

    Portez vous bien et restez chez vous !

    Pour les non initiés qui se demandent d'ou vient le nom d'Auto-Magique lire à partir d'ici

    Les mots 2019 sont ici

    Vers les mots de l'année 2023, 2022, 2021, 2020, 2019, 2018, 2017, 2016, 2015, 2014, 2013, 2012, 2011, 2010, 2009, 2008, 2007, 2006, 2005